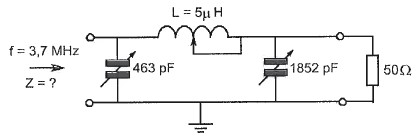
006
Dit filter behoort tot een 3,7 MHz zender-eindtrap.
Bij een aangesloten belasting van 50 Ω is Z ongeveer:
a 1.000 Ω
b 50 Ω
c 10.000 Ω
d 10 Ω
UITLEG 1
f = 3.7exp6 Hz
Xc1 = 1/2pi f C = 1/ 2*3.14*3.7exp6 *463exp-12 = 93 ohm
Xl = 2 x 3.14 x 3.7exp6 x 5exp-6 = 116 Ω
XC2 = 1/ 2*3.14*3.7exp6x1852exp-12 = 23 ohm


23:93 = 1:4
De stroom door de laatste C is 4 keer groter dan de stroom door de eerste C
De stroom door de eerste C is 4 keer kleiner dan de stroom door de laatste C
Héél ruwweg is de impedantie omgekeerd evenredig met het kwadraat van de capaciteit.
Dus: capaciteit links 4x zo klein als rechts, dan impedantie links 42 zo groot als rechts.
Z = 1 / C2
Z links aan de ingang is 42 groter dan Z rechts
>>> 42 = 16 keer groter.
R = 50 >>> links is 16*50 = 800 Ohm
Kijken we naar de antwoorden, dan kiezen we 1000 Ohm.
-------------------------------------------------------------------------------------------------------------
UITLEG 2
Een vuistregel is, als je mag aannemen dat het pi-filter werkt
(dus geen onzin-waarden bevat en op de juiste frequentie wordt gebruikt):
Héél ruwweg is de impedantie omgekeerd evenredig met het kwadraat van de capaciteit.
Dus: capaciteit links 4x zo klein als rechts, dan impedantie links 16x zo groot als rechts.
16x50 is 800, dus 1000 ohm is de juiste orde van grootte.
---------------------------------------------------------------------------------------------------------------------
UITLEG 3
Bij hoge Q factor , is de kringstroom aanzienlijk hoger dan de belastingstroom.
Bij benadering geldt dat:
Ic(links) = Ic(rechts) = IL
Uc(links) / Uc(rechts) =4
De ingangsspanning is 4x zo hoog als de spanning over RL(50 Ohm).
Iin is dus 4x lager dan Iuit.
De R aan de ingang moet dus hoger zijn.
En wel 16x hoger
16*50 = 800 ohm
dus hier 1000 ohm.

┘
┘
+++ Waarden