-
01
http://www.iwab.nu/H03_03_036.html
De diode keuze van een gelijkrichtschakeling is afhankelijk vab
a alleen de maximale sperspanning
b zowel de maximale sperspanning als de maximale stroom
c alleen de maximale stroom
d geen van de hirboven gegeven grootheden
Het is belangrijk rekening te houden met de maximale stroom en de sperspanning
Alle elektronica componenten sneuvelen vaak door oververhitting
-
02
http://www.iwab.nu/H02_05_023.html
Deze karakteristiek heeft betrekking op een:
a weerstand
b diode
c NPN-transistor
d resonantiekring
-
03
http://www.iwab.nu/H02_05_022.html
De maximale doorlaatstroom in een halfgeleider diode wordt begrensd door de:
a omgekeerde EMK
b doorlaatspanning
c kristaltemperatuur
d maximale sperspanning
Uiteindelijk gaat het stuk door oververhitting
-
04
http://www.iwab.nu/H02_05_010.html
De sperspanning van een normale siliciumdiode is:
a tussen de 2V en 10V
b kleiner dan 0.4V
c groter dan 10V
d tussen de 0.4V en 2V
sperspanning is de maximale spanning, die een diode kan verdragen om heel te blijven in sperrichting.
Vaak wordt de diode gebruikt op de helft van deze waarde.
Sperspanning is > 10V en gemiddeld al gauw > 100V.
Lagere spanningen (0,2-0,6V) zijn de drempelspanningen die nodig zijn om in geleiding te komen.
-
05
http://www.iwab.nu/H02_05_008.html
De spanning over de diode is:
a 0.6 V
b 0.8 V
c 2 V
d 1.8 V
Bij 0.8 volt gaat de diode werken , deze spanning wordt door de diode verloren
-
06
http://www.iwab.nu/H02_05_015.html
In welk van de volgende gevallen is de diode gesperd?
a A
b B
c C
d D
A geleid
B spert
C geleid, 0 is meer dan -5
D geleid
-
07
http://www.iwab.nu/H02_05_009.html
De lekstroom van een diode:
a neemt af bij temperatuurverhoging
b neemt toe bij temperatuurverhoging
c is alleen afhankelijk van de spanning
d is niet afhankelijk van de temperatuur
De lekstroom neemt toe bij toenemende temperatuur.
Silicium is stabieler dan Germanium
-
08
http://www.iwab.nu/H03_03_019.html
De condensator in de schakeling moet minstens geschikt zijn voor een spanning van:
a 50 V
b 150 V
c 100 V
d 75 V
Ueff = 0.707 x Ut
Ut = Ueff / 0.707
Ut = 50 / 0.707 = 70 V
-
09
http://www.iwab.nu/H2_096.html
De spannng U is:
a 0 V
b -12 V
c +10 V
d -36 V
blijft gewoon 10V
over de weerstand zal 46 v staan
Extra uitleg:
Om te kunnen geleiden moet de ingang positief zijn t.o.v. -36V.
-
10
http://www.iwab.nu/H2_149.html
De juiste uitgangsspanningen X en Y zijn:
a X= +24V Y= 0V
b X= -12C Y= 0V
c X= -12V Y= +24V
d X= 0V Y= 12V
Voor X
bovenste diode laat +24 naar massa
-12 blijft over
Voor Y
De dioden sperren dus +24 V
-
11
http://www.iwab.nu/H2_082.html
De logische 1=5V en de logische 0=0V
Dit is een:
a NOF (NOT)
b EN (AND)
c OF (OR)
d NEN (NAND)
De ingangen zijn X en Y uitgang = Q
0V 0V 0V De 5V loopt via de diodes door X en Y dus geen spanning op Q
0V 5V 0V De 5V loopt dan via de diode X weg en geen 5V op Q
5V 0V 0V De 5V loopt dan via de diode Y weg en geen 5V op Q
5V 5V 5V De 5V kan niet weg via de diodes X en Y ,dus 5V op Q
-
12
http://www.iwab.nu/H2_156.html
De uitgangsspanning U is:
a -36 V
b -24
c -12 V
d 0 V
De midderlste diode doet het qals eerste vandaar U = 0 V
-
13
http://www.iwab.nu/H2_111.html
In de schakeling komt +5 V overeen met logisch 1 en 0 V met logisch 0.
a tabel 3
b tabel 2
c tabel 1
d tabel 4
tabel 1= en
tabel 2= nor
tabel 3= exnor
tabel 4= exor
-
14
http://www.iwab.nu/H8-132.html
De voltmeter wijst ongeveer 5 volt aan.
De stand van de schakelaar S1 en S2:
S1 S2
a dicht dicht
b dicht open
c open dicht
d open open
Wanneer er 1 schakelaar gesloten woredt , valt de spanning qeg door de diode
-
15
http://www.iwab.nu/H03_03_006.html
In de schakelingen zijn identieke componenten gebruikt.
I1 en I2 zijn de piekstromen door de dioden.
Welke van de volgende beweringen is juist ?
a I1 is kleiner dan I2 ; U1 is groter dan U2
b I1 is groter dan I2 ; U1 is groter dan U2
c I1 is kleiner dan I2 ; U1 is kleiner dan U2
d I1 is groter dan I2 ; U1 is kleiner dan U2
U2 is vlakker , minder rimpel
-
16
http://www.iwab.nu/jj_02_07_005v_016.html
Als schakelaar S1 geopend wordt zal de lamp:
a blijven branden
b gaan branden
c gaan knipperen
d uitgaan
er blijft via S2 een gesloten circuit
-
17
http://www.iwab.nu/jj_02_07_005v_015.html
Als schakelaar S1 gesloten wordt zal de lamp:
a blijven branden
b gaan branden
c gaan knipperen
d uitgaan
Er gaat ook stroom door de bovenste schakeling
-
18
http://www.iwab.nu/H02_05_026.html
In de schakeling zal:
a lamp 1 en 2 branden
b alleen lamp 1 branden
c alleen lamp 2 branden
d geen lamp branden
Een wisselspanning
gelijkgericht door de diode
Alleen lamp 1 kan branden
-
19
http://www.iwab.nu/H03_03_030.html
Welke schakeling kan gebruikt worden als dubbelfasige gelijkrichter
a
b
c
d
-
20
http://www.iwab.nu/jj_03_03_004v_006.html
Als voedingsgelijkrichter kan worden toegepast:
a. gelijkrichter 3
b. gelijkrichter 4
c. gelijkrichter 1
d. gelijkrichter 2
-
21
http://www.iwab.nu/jj_03_03_004v_008.html
Welke van de schakelingen kan worden toegepast om een negatieve en een positieve gelijkspanning te krijgen?
a X en Y
b X
c Y
d geen
-
22
http://www.iwab.nu/H03_03_002.html
De wisselspanning tussen X en Y is 10V eff.
De spanning (onbelast) tussen de punten P en Q is ongeveer:
a 0 V
b 14 V
c 20 V
d 28V
P=+10v
Q=-10V
Samen 20vVeff
Uit = Ѵ2 x 20 = 28 V
-
23
http://www.iwab.nu/H03_03_017.html
De onbelaste uitgangsspanningen U1 en U2 zijn ongeveer:
a U1 =100 V en U2 = 140 V
b U1 = 100 Ven U2 = 100 V
c U1 = 140 Ven U2 = 280 V
d U1 = 140 Ven U2 = 140 V
C tilt Ѵ2 op
√2 x 100 = 140 V
enkele gelijkrichting
√2 x 100 = 140 V
dubbele gelijkrichting
-
24
http://www.iwab.nu/H03_03_018.html
De onbelaste spanning tussen de punten P en Q is ongeveer:
a 0 V
b 8 V
c 26 V
d 17 V
Uuit = 2 x 6 V = 12 V
C tilt √2 op
C x √2 = 17 V
of
U / 0.707 = 12 - 0.707 = 17 V
√2 x 12 = 17 V
dubbele gelijkrichting
-
25
http://www.iwab.nu/H03_03_001.html
De onbelaste uitgangsspanningen U1 en U2 zijn ongeveer:
Uuit = U x √2
U1 = √2 x 20 = 28V
U1 = √2 x 20 = 28V
-
26
http://www.iwab.nu/jj_03_03_004v_003.html
Als gelijkrichter kan worden toegepast:
a schema 2
b schema 4
c schema 1
d schema 3
-
27
http://www.iwab.nu/H03_03_025.html
De schakeling is onbelast.
De spanning tussen P en Q wordt weergeven door
a
b
c
d
-
28
http://www.iwab.nu/H03_03_021.html
De uitgangsspanning van een belaste enkelzijdige gelijkrichter met kleine afvlakcondensator verloopt als is aangegeven in:
a 4
b 3
c 1
d 2
-
29
http://www.iwab.nu/037-010.html
Van een dubbelfasige gelijkrichter is de uitgangsspanning 10 volt bij een belasting met 100 ohm.
De transformator en de diodes worden ideaal verondersteld.
De primaire wisselstroom is:
a. 100√2 mA
b. 100 mA
c. 10 mA
d. 10√2 mA
Is = Us / Rs = 10 / 100 = 0.1 = 100 mA
Ip is 10x lager 100/10 = 10 mA
-
30
http://www.iwab.nu/H2_016.html
Om licht te kunnen geven dient een LED te werken
a met een spanning van ca 0.7 V
b in de doorlaatrichting
c in de sperrichting
d met inductieve voorspanning
KNAP
De drempeldpanning is 0.6-0.7 V
stroom ca 5 mA
-
31
http://www.iwab.nu/jj_02_05_001v_019.html
Een veel voorkomende spanning en stroom van een LED zijn:
a 5 Ven 60 mA
b 1,7 Ven 20 mA
c 60 V en 20 mA
d 0,7 Ven 60 mA
-
32
http://www.iwab.nu/jj_02_05_001v_002.html
Een LED dient op een spanning van 12v te worden aangesloten via schema:
a 1
b 2
c 3
d 4
1
kan niet de diode moet een stroombegrenzing hebben
2
deze staat in sper stand
3
deze staat in sper stand
4
deze is goed, geleiderichting en stroombegrenzing
-
33
http://www.iwab.nu/jj_02_05_001v_006.html
Welke LED licht duidelijk op?
a LED 2
b LED 3
c LED 4
d LED 1
Led 1 12v // 1Kohm geeft 12mA
Led 2 spert
Led 3 12v // 100Kohm geeft 0.12mA
Led 4 spert
-
34
http://www.iwab.nu/jj_02_05_001v_017.html
Een zenerdiode wordt meestal toegepast om een:
a.. wisselspanning gelijk te richten
b. voedingsspanning te verhogen
c. signaal te versterken
d. constante spanning te maken
In sperrichting en redelijk constant
-
35
http://www.iwab.nu/jj_02_05_001v_001.html
Deze schakeling kan worden gebruikt als:
a frequentievergelijker
b spanningsverdubbelaar
c stroomstabilisator
d spanningstabilisator
Bij de zenerspanning faat de diode in sperrichting geleiden
-
36
http://www.iwab.nu/H02_05_003.html
Deze karakteristiek heeft betrekking op een
a spanningsbron
b zenerdiode
c weerstand
d FET
-
37
http://www.iwab.nu/jj_02_05_001v_007.html
Voor een constante uitgangsspanning dient de ingangsspanning:
a. hoger te zijn dan de zenerspanning
b. Iager te zijn dan de zenerspanning
c. gelijk te zijn aan de zenerspanning
d. een wisselspanning te zijn
-
38
http://www.iwab.nu/jj_02_05_001v_003.html
Van de gelijke zenerdiodes is de karakteristiek weergegeven.
Hoe groot is U?
a 12.8 volt
b 10.8 volt
c 7.4 volt
d 8.8 volt
Ur = Ir x R
Ur = 20 mA x 100 = 2 volt.
Voor een diode geldt bij 20mA een spanning van 5.4 volt.
2 dioden in serie geeft dus 2 x 5.4 = 10.8 volt , alleen al over de 2 dioden.
Er komt nog Ur bij en is dus 10.8 + 2 = 12.8 volt
-
39
http://www.iwab.nu/jj_02_05_001v_021.html
De spanning over Rb moet worden gestabiliseerd op 5 volt.
Rs moet zijn
a 24 ohm
b 50 ohm
c 20 ohm
d 10 ohm
7.4 V in
5 V uit
Rs moet 2.4 V opeten
I = 100 mA
Izener = 20 mA
It = 120 mA
R = U / I = 2.4 / 120exp-3 = 20 Ohm
-
40
http://www.iwab.nu/H02_05_018.html
Als door variatie van de voedingsspanning de stroom door de zenerdiode variëert van -20 mA tot -60 mA, variëert de spanning over Rb:
a 0 V
b 0,3 V
c 0,4 V
d 0,2V
bij -20 mA = -5 V
bij -60 mA = -5.2 V
verschil 0.2 V
-
41
http://www.iwab.nu/007_029.html
De belastingstroom varieert van 100 to 300 mA.
Het maximaal gedissipeerde vermogen door de zenerdiode is:
a 1 Watt
b 8 Watt
c 3 Watt
d 2 Watt
Stroom door zener max = 300 mA
Spanning zener = 10V uit
10V bij 300mA geeft P= U x I
P = 10 x 300 = 3 Watt
-
42
http://www.iwab.nu/jj_02_05_001v_004.html
De zenerdiode in de schakeling heeft de volgende karakteristiek.
De spanning U over de zenerdiode is weergegeven in:
a grafiek 2
b grafiek 1
c grafiek 3
d grafiek 4
de diode schakelt tussen -3 en +1 volt
-
43
http://www.iwab.nu/jj_02_05_001v_016.html
Een varicapdiode wordt meestal gebruikt voor:
a het moduleren in een FM-zender
b signaaldetectie in een AM-ontvanger
c het stabiliseren van de voedingsspanning
d het regelen van de versterking
FM modulatie
afstemmen (TV) ontvanger
-
44
http://www.iwab.nu/jj_02_05_001v_014.html
Een capaciteitsdiode (varicap) wordt vaak gebruikt om:
a een stroom te variëren
b een signaal gelijk te richten
c een spanning constant te houden
d een oscillator te verstemmen
FM modulatie
afstemmen (TV) ontvanger
-
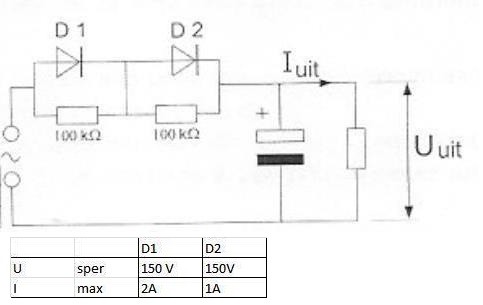
45
http://www.iwab.nu/H3_002.html
De dioden hebben gelijke doorlaatkarakteristieken maar de belastbaarheid is verschillend
Kies uit de alternatieven de combinatie van hoogste Uuit en grootste Iuit die de schakeling kan leveren
a Uuit = 200 V en Iuit = 1 A
b Uuit = 100 V en Iuit = 2 A
c Uuit = 100 V en Iuit = 1 A
d Uuit = 200 V en Iuit = 2 A
De dioden staan in serie
de kleinste stroom van 1A bepaalt de max stroom door de dioden
Umax over de dioden is 150V per stuk , serie dus totale maximale spanning= 300 V
Als 300 V max is, dan is de Ueff = Umax*0.707
Ueff over de twee dioden is 300 x 0.707 = 212 V
DAT IS 1 !!
Nu gaan we naar de uitgang kijken
Ueff uit van 200V , geeft een Umax van 200 / 0.707 = 282 V
Dit is veel te hoog.
Ueff uit van 100V , geeft een Umax van 100 / 0.707 = 141 V
Dit kan makkelijk

-
46
http://www.iwab.nu/H3_074.html074
De dioden zijn gelijk.
Kies uit de alternatieven de combinatie van hoogste Uuit en grootste Iuit die de schakeling kan leveren:
a Uuit = 200 V en Iuit = 4 A
b Uuit = 400 V en Iuit = 4 A
c Uuit = 400 V en Iuit = 2 A
d Uuit = 200 V en Iuit = 2 A
Seriegeschakelde dioden [de dioden zijn gelijk]
de stroom wordt bepaalt door de dioden met de kleinste stroom = 2A [beiden]
De Umax over 1 dode is 300 V
De Ueff is 0.707 x Umax = 0.707 x 300 = 212 V
Bij 400 V aan de uitgang hebben we 400 Veff
Umax aan de uitgang is 400 / 0.707 = 565 V
Dit is veel te hoog voor de diode.
Bij 200 V aan de uitgang hebben we 200 Veff
Umax aan de uitgang is 200 / 0.707 = 282 V
Dit kan de diode hebben

-
47
http://www.iwab.nu/H3_087.html
De dioden hebben gelijke doorlaatkarakteristieken maar de belastbaarheid is verschillend.
Kies uit de alternatieven de combinatie van hoogste Uuit er grootste luit die de schakeling kan leveren:
a. Uuit = 200 V en luit = 1 A
b. Uuit = 200 V en luit = 2 A
c. Uuit = 350 V en luit = 1 A
d. Uuit = 100 V en luit = 1 A
Diodes in serie
De diode met de kleinste stroomdoorvoer bepaalt de stroom
Hier dus 1A
De laagste spanning over een van de diodes is Umax = 150 V
De Ueff hiervan = 150 / 0.707 = 212 V
Wanneer de uitgangsspanning 300Veff is, is de Umax = 300 / 0.707 = 424 Vmax
Deze spanning is te hoog voor de dioden
Wanneer de uitgangsspanning 200Veff is, is de Umax = 200 / 0.707 = 282 Vmax
Deze spanning is te hoog voor de dioden
Wanneer de uitgangsspanning 100Veff is, is de Umax = 100 / 0.707 = 141 Vmax
Deze spanning is goed

-
48
http://www.iwab.nu/H02_05_016.html
De dioden zijn gelijk.
Kies uit de alternatieven de combinatie van hoogste Uuit en Iuit die de schakeling kan leveren:
a Uuit = 20 V Iuit = 2 A
b Uuit = 10 V Iuit = 1 A
c Uuit = 20 V Iuit = 1 A
d Uuit = 10 V Iuit = 2 A
2 diodes naast elkaar [parallel] en ieder 1 A geeft 2 A totaal
de diodes kunnen 30 Vmax per stuk hebben
D1 = D2 = Umax =30V >>> Ueff = 30 x 0.707 = 21 Volt
wanneer de UITGANG 20 Veff is .wordt Umax 20/0.707 = 28 V
dat is teveel voor de diode.
wanneer de UITGANG 10 Veff is .wordt Umax 10/0.707 = 14 V
dat is goed voor de diode.
┘
Sectie 7
┘
-
49
http://www.iwab.nu/H02_05_017.html
De dioden hebben gelijke doorlaatkarakteristieken maar de belastbaarheid is verschillend.
Kies uit de alternatieven de combinatie van hoogste Uuit en grootste Iuit die de schakeling kan leverten
a. Uuit = 20 V en Iuit = 2 A
b. Uuit = 10 V en Iuit = 3 A
c. Uuit = 10 V en Iuit = 2 A
d. Uuit = 20 V en Iuit = 3 A
twee diodes parallel , de kleinste stroom = 1 A
dan door de andere ook 1 A
samen 2 A
Umax = 30 V dwz Ueff = 21V die de diodes mogen hebben !!!
Bij Uuit = 20 Veff = de Umax Ueff = 0.707 x Umax >>> Umax = Ueff / 0.707 = 20/0.707 = 28 V
28 V is teveel, dus geen 20 V